Schliessen
Publizieren
Besondere Sammlungen
Digitalisierungsservice
Hilfe
Impressum
Datenschutz
Detailsuche
Schnellsuche:
OK
Ergebnisliste
Titel
Titel
Inhalt
Inhalt
Seite
Seite
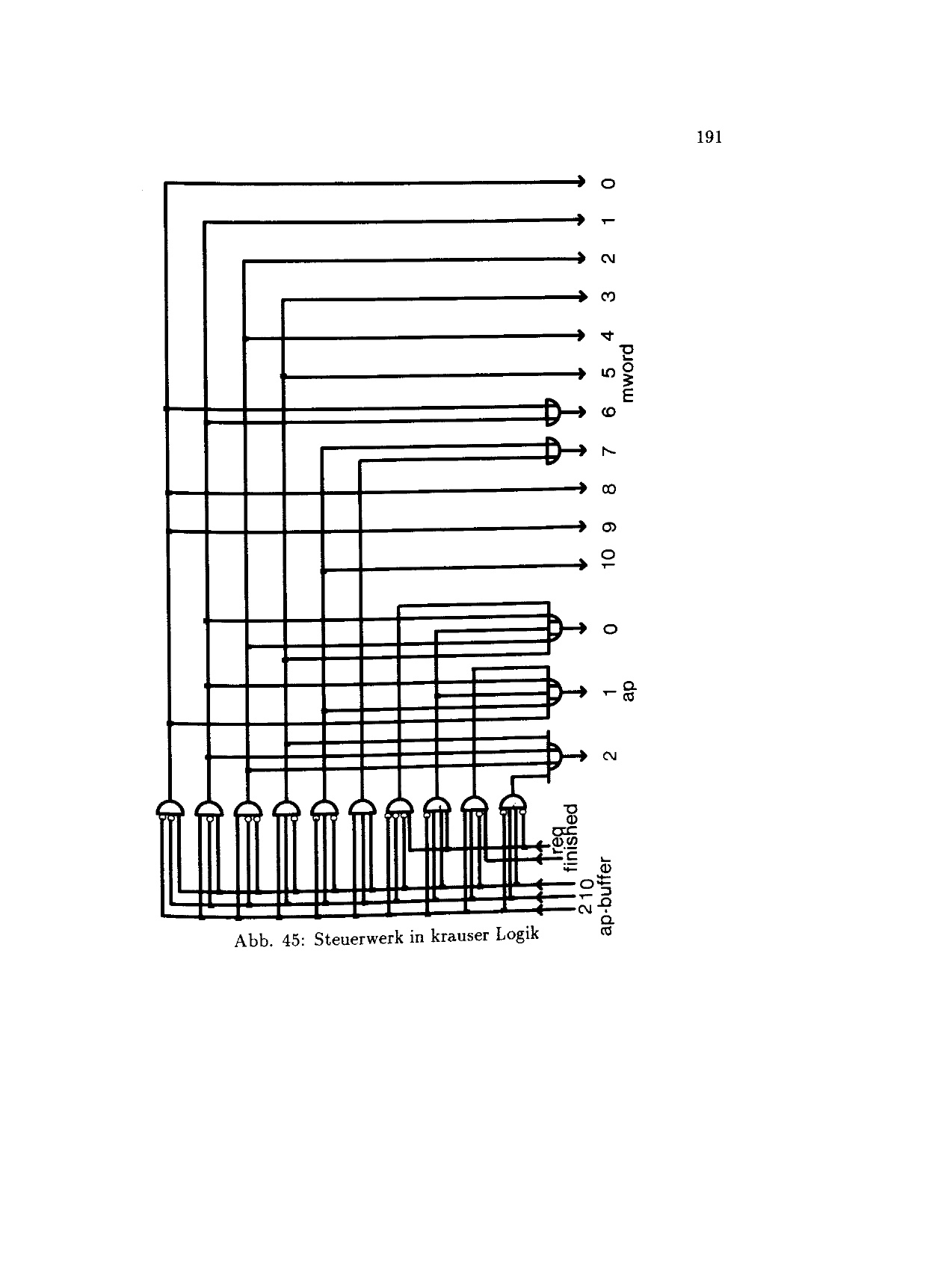
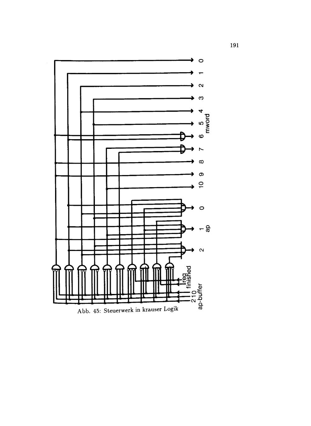
Systematischer Entwurf digitaler Systeme
Seite 190
Wird geladen ...
Monographie
Systematischer Entwurf digitaler Systeme : von der System- bis zur Gatter-Ebene
Entstehung
Stuttgart
1989
JPEG-Download
verfügbare Breiten
JPEG groß
JPEG original
Seiten an
Seiten aus