Schliessen
Publizieren
Besondere Sammlungen
Digitalisierungsservice
Hilfe
Impressum
Datenschutz
Detailsuche
Schnellsuche:
OK
Ergebnisliste
Titel
Titel
Inhalt
Inhalt
Seite
Seite
Im Werk suchen
Mechatronik und elektrische Antriebe
8 Elektronisch kommutierte Motoren Electronically Commutated Motors
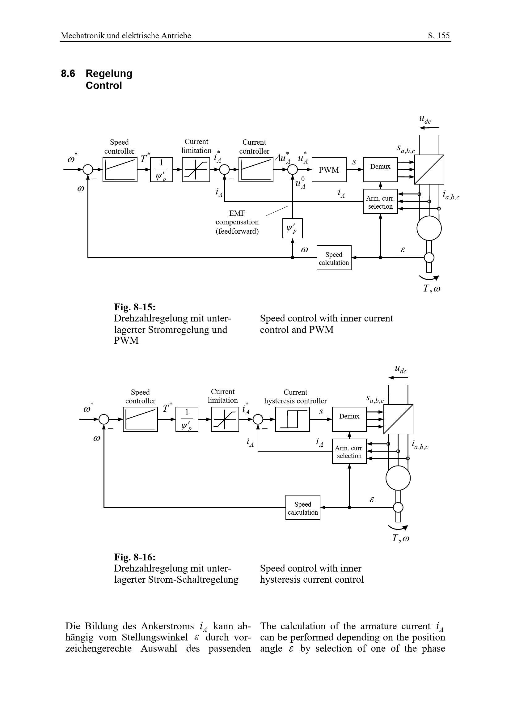
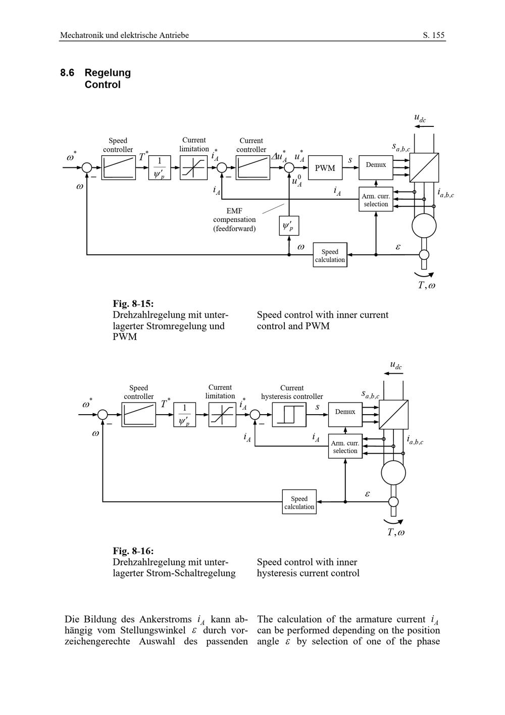
8.6 Regelung Control
Wird geladen ...
Monographie
Mechatronik und elektrische Antriebe / Prof. Dr.-Ing. Joachim Böcker
Entstehung
Paderborn
2023
JPEG-Download
verfügbare Breiten
JPEG groß
JPEG original
Seiten an
Seiten aus