Schliessen
Publizieren
Besondere Sammlungen
Digitalisierungsservice
Hilfe
Impressum
Datenschutz
Detailsuche
Schnellsuche:
OK
Ergebnisliste
Titel
Titel
Inhalt
Inhalt
Seite
Seite
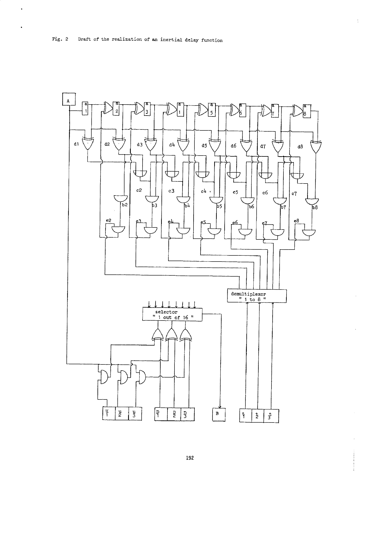
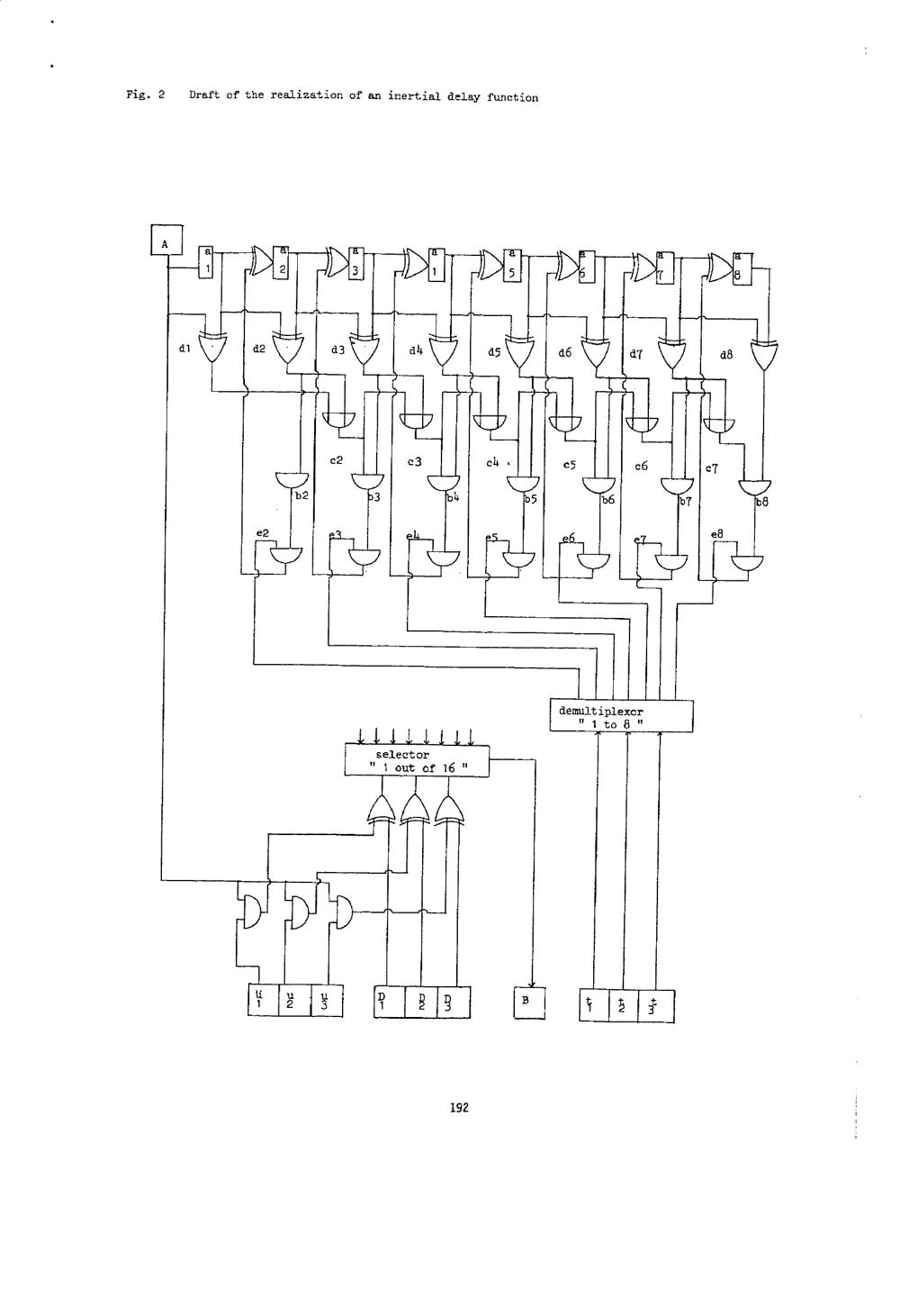
A concept for the editing of hardware resulting in an automatic hardware editor
Seite 6
Seite 2
Seite 3
Seite 4
Seite 5
Seite 6
Seite 7
Aufsatz in einem Sammelwerk
A concept for the editing of hardware resulting in an automatic hardware editor
Entstehung
2009
JPEG-Download
verfügbare Breiten
JPEG groß
JPEG original
Seiten an
Seiten aus