Schliessen
Publizieren
Besondere Sammlungen
Digitalisierungsservice
Hilfe
Impressum
Datenschutz
Detailsuche
Schnellsuche:
OK
Ergebnisliste
Titel
Titel
Inhalt
Inhalt
Seite
Seite
Im Werk suchen
Fahrdynamikmodelle für Echtzeitsimulationen im komfortrelevanten Frequenzbereich
Anhang
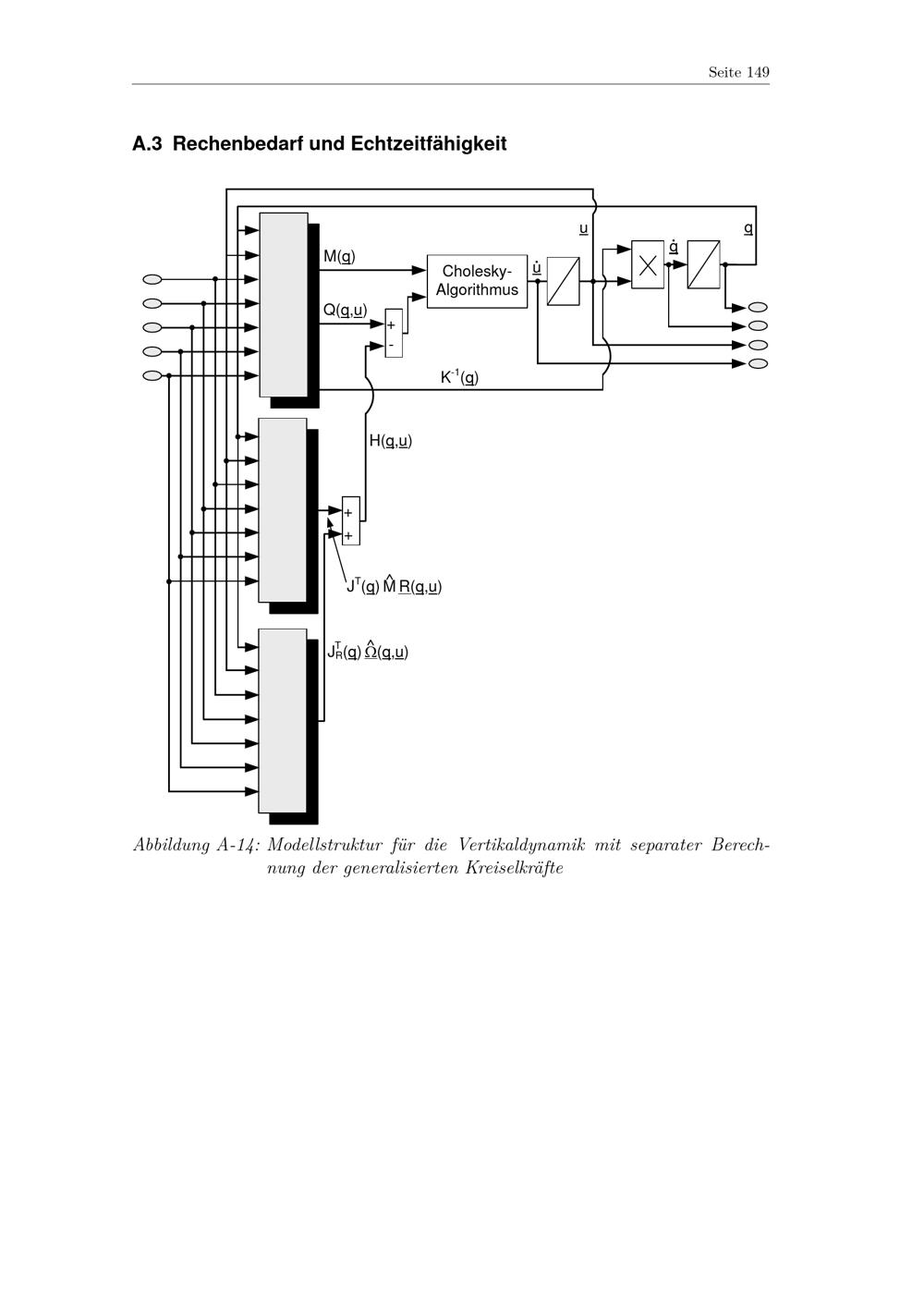
Rechenbedarf und Echtzeitfähigkeit
Wird geladen ...
Dissertation
Fahrdynamikmodelle für Echtzeitsimulationen im komfortrelevanten Frequenzbereich
Entstehung
2014
JPEG-Download
verfügbare Breiten
JPEG groß
JPEG original
Seiten an
Seiten aus